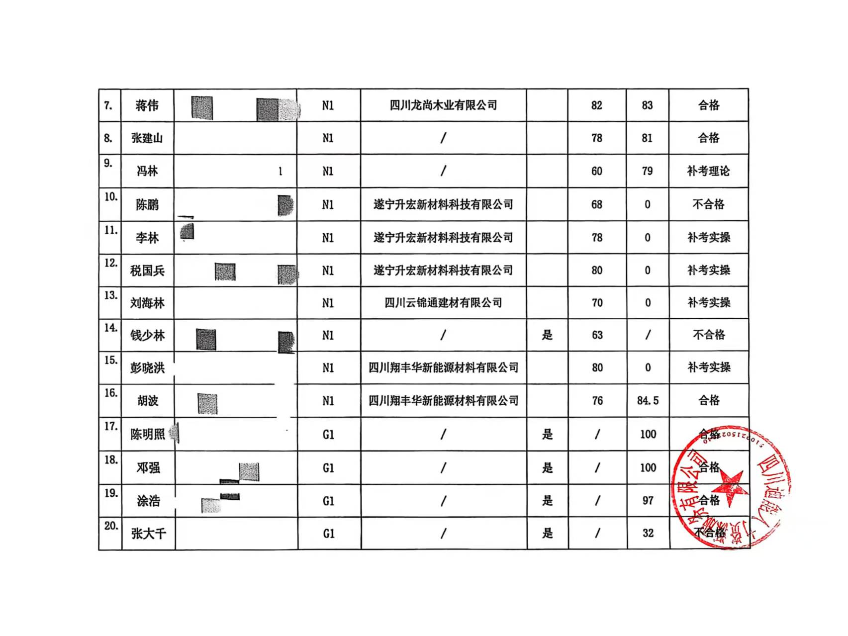
第20260325期考试成绩通知-四川迪能人力资源服务有限公司 

服务热线:

18982575668

第20260325期考试成绩通知